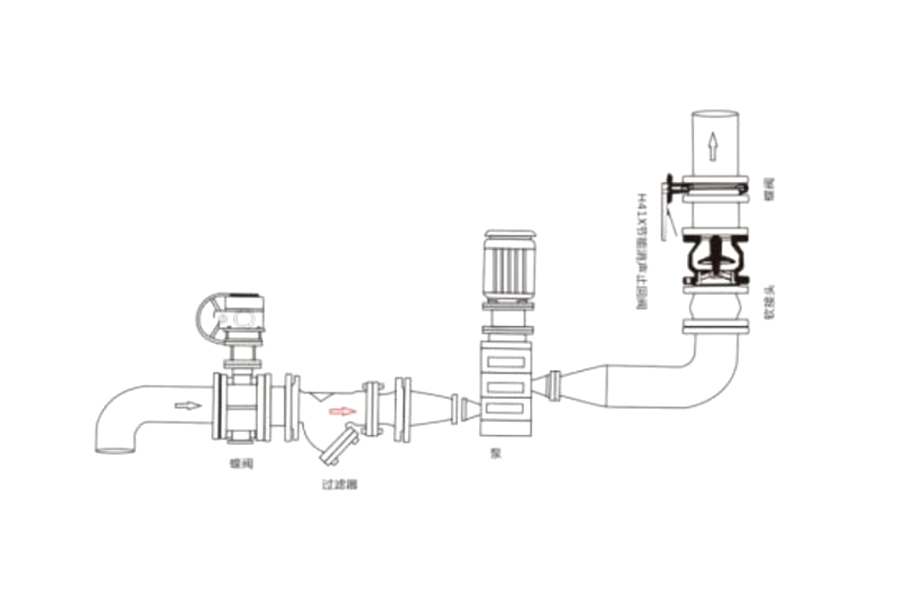
Susturucu çek valfleri esas olarak yüksek binaların su temini ve drenaj sistemleri, yangın borusu su besleme sistemleri vb. için uygundur. Bu susturucu çek valfi, ortamın geri akmasını ve yıkıcı su darbesine neden olmasını etkili bir şekilde önleyebilir ve su pompasını ve diğer boru hattı ekipmanlarını koruyabilir. Vanasının ana performans özellikleri aşağıdaki gibidir: 1. Bu vana dikey veya yatay olarak monte edilebilir. Valf esnek bir şekilde kaldırılıp indirilebilir, sorunsuz çalışır, düşük gürültülüdür, güvenlidir ve nadiren arızalanır. 2. Makul yapı ve iyi sızdırmazlık performansı. 3. Aşınmaya dayanıklı ve uzun servis ömrü.
中文简体




